
Index / Products

1008
PVDF HP Union FKM
1/2"-2"

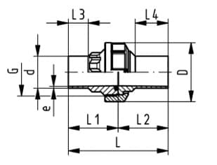
| 產品編號 | 名稱 | d(mm) | PN(bar) | G (R/Rp BS draad) (inch) | e(mm) | D(mm)2 | L(mm) | L1(mm) | L2(mm) | L3(mm) | L4(mm) |
|---|---|---|---|---|---|---|---|---|---|---|---|
| 735528626 | PVDF HP union FKM 1/2" | 20 | 16 | 1 | 1.9 | 43 | 106 | 53 | 53 | 25 | 37 |
| 735528627 | PVDF HP union FKM 3/4" | 25 | 16 | 1 1/4 | 1.9 | 53 | 112 | 56 | 56 | 25 | 38 |
| 735528628 | PVDF HP union FKM 1" | 32 | 16 | 1 1/2 | 2.4 | 60 | 118 | 59 | 59 | 25 | 40 |
| 735528629 | PVDF HP union FKM 1-1/4" | 40 | 16 | 2 | 2.4 | 74 | 124 | 62 | 62 | 25 | 41 |
| 735528630 | PVDF HP union FKM 1-1/2" | 50 | 16 | 2 1/4 | 3 | 82 | 130 | 65 | 65 | 25 | 43 |
| 735528631 | PVDF HP union FKM 2" | 63 | 16 | 2 3/4 | 3 | 100 | 136 | 68 | 68 | 25 | 44 |
